-
行星 减速机
产品特点
1.OILP系列减速机采用NGW二级或三级齿轮减速传动,能实现高效率传递,低噪音运行。
2.输出轴采用高强度轴承组合来承受外部传递来的轴向和径向力。
3.设计有多种减速比,可以通过排量的配置,实现多种扭矩和转速的选择。
4.整体齿圈设计,径向尺寸小,结构紧凑,减少安装空间占用。
5.良好的润滑散热设计,减速机能够长时间稳定运转。
-
应用范围
可应用于小挖、农用机械、钣金机械、煤矿机械的浓缩机等设备中。
1.OILP系列减速机采用NGW二级或三级齿轮减速传动,能实现高效率传递,低噪音运行。
2.输出轴采用高强度轴承组合来承受外部传递来的轴向和径向力。
3.设计有多种减速比,可以通过排量的配置,实现多种扭矩和转速的选择。
4.整体齿圈设计,径向尺寸小,结构紧凑,减少安装空间占用。
5.良好的润滑散热设计,减速机能够长时间稳定运转。
以下数据为实测所得,仅用于对产品描述及应用参考,因实际使用等诸多原因,不视为产品实际应用的性能保证。英特姆保留对样品中的产品参数、尺寸及其性能进行修改的权利,如有变更,恕不另行通知。版权所有,禁止未经过宁波欧易及英特姆公司书面授权的任何局部或整体内容复制与使用。
| 型号 | 最大扭矩 (N.m) | 减速比 | 最大输入速度 (rpm) | 最大使用压力 (Mpa) | 制动扭矩 (N.m) | 最小开启压力 (Mpa) | 液压马达型号 | 重量 (kg) |
OILP002024D![]() | 2000 | 24.54 | 500 | 12.5 | - | - | JS系列 | 40 |
OILP005025DB![]() | 5000 | 25 | 500 | 12.5 | 200 | ≥1.8 | 2K系列 | 80 |
OILP007038DB![]() | 7000 | 38.21 | 1000 | 35 | 290 | ≥1.8 | A2FM80/90 | 118 |
OILP008025DB![]() ![]() | 8000 | 25 | 500 | 16 | 380 | ≥1.8 | 2K系列 | 100 |
| OILP008005.47
| 8000 | 5.47 | 500 | 16 | - | - | EPMZTS系列 | 74 |
| OILP009050DB
| 9000 | 50.6 | 1450 | 25 | 237 | ≥1.8 | A2FE107 | 135 |
OILP010030D![]() | 10000 | 30 | 350 | 16 | - | >0.5 | NHM2系列 | 135 |
OILP010*A![]() | 10000 | 69 99 (96) | 400 | 16 | - | >0.5 | NHM2系列 | 320 |
OILP010*B![]() | 10000 | 69 99 (96) | 400 | 16 | - | >0.5 | NHM2系列 | 350 |
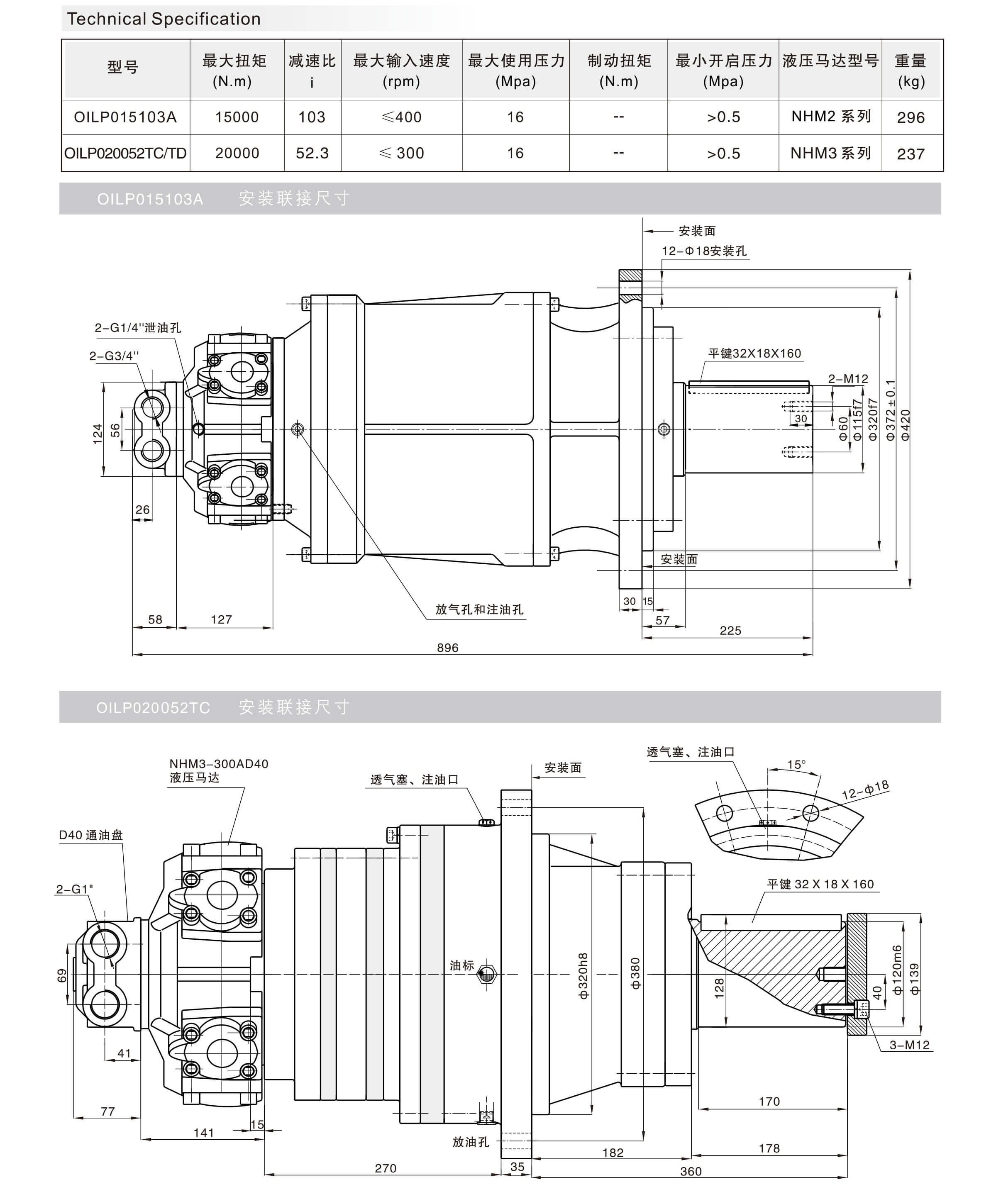
OILP015103A![]() ![]() | 15000 | 103 | 400 | 16 | - | >0.5 | NHM2系列 | 296 |
| OILP020052TC/TD
| 20000 | 52.3 | 300 | 16 | - | >0.5 | NHM3系列 | 237 |
OLP025124TB![]() | 25000 | 124.68 | 1300 | 35 | 320 | ≥1.8 | A2FM80/90 | 327 |
加载更多>>