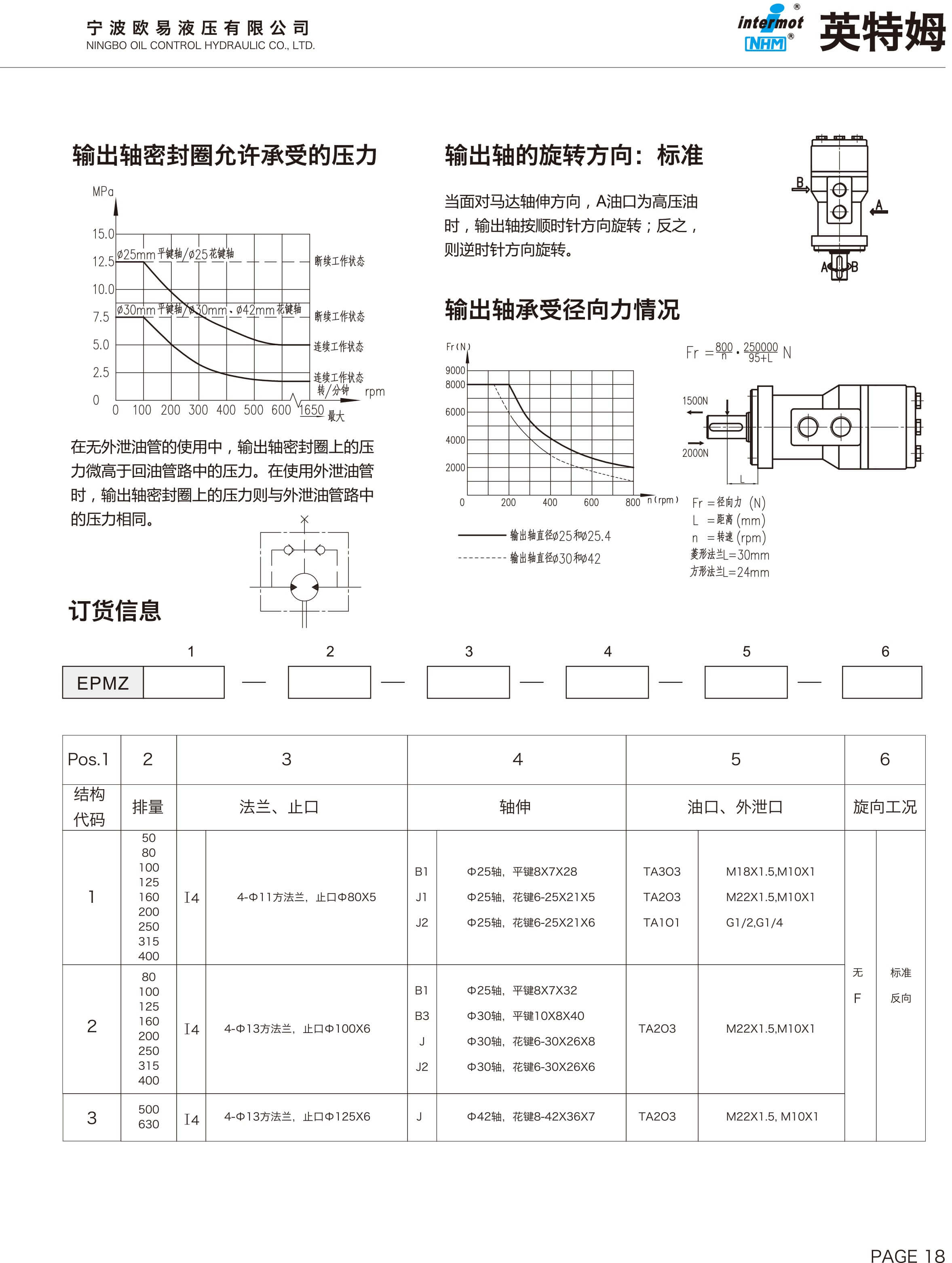
-
EPMZ 系列
为满足市场需要,宁波英特姆液压马达有限公司推出一种利用行星减速原理的内啮合摆线齿轮式的低速大扭矩液压马达-----EPMZ系列摆线液压马达,包括轴配油和端面配油两种结构,其结构简单,低速性能好,短期超载能力强,与同排量的其它类型液压马达相比,具有体积小、重量轻、输出扭矩大等优点。该马达可广泛应用于工程机械、农业机械、交通运输、石油采矿、机械制造等行业,如注塑机的调模,特别适用于立式塑机的预塑以及油压机、带式锯床、输送机、收割机、油管钳、机械手、马路清扫车、起重吊车等机械设备。
产品特点
1.采用先进的摆线针轮转定子参数设计,启动压力低,效率较高并保持性好,运转平稳。
2.采用高耐压油封,可承载较高背压,可串并联使用。
3.联动轴特殊设计,马达使用寿命长。
4.特殊配流系统参数设计,满足低噪音要求。
5.马达结构紧凑,安装方便。
6. 结构设计先进,功率密度大。
-
应用范围
可广泛应用于工程机械、农业机械、交通运输、石油采矿、机械制造等行业,如注塑机的调模,特别适用于立式塑机的预塑以及油压机、带式锯床、输送机、收割机、油管钳、机械手、马路清扫车、起重吊车等机械设备。





























