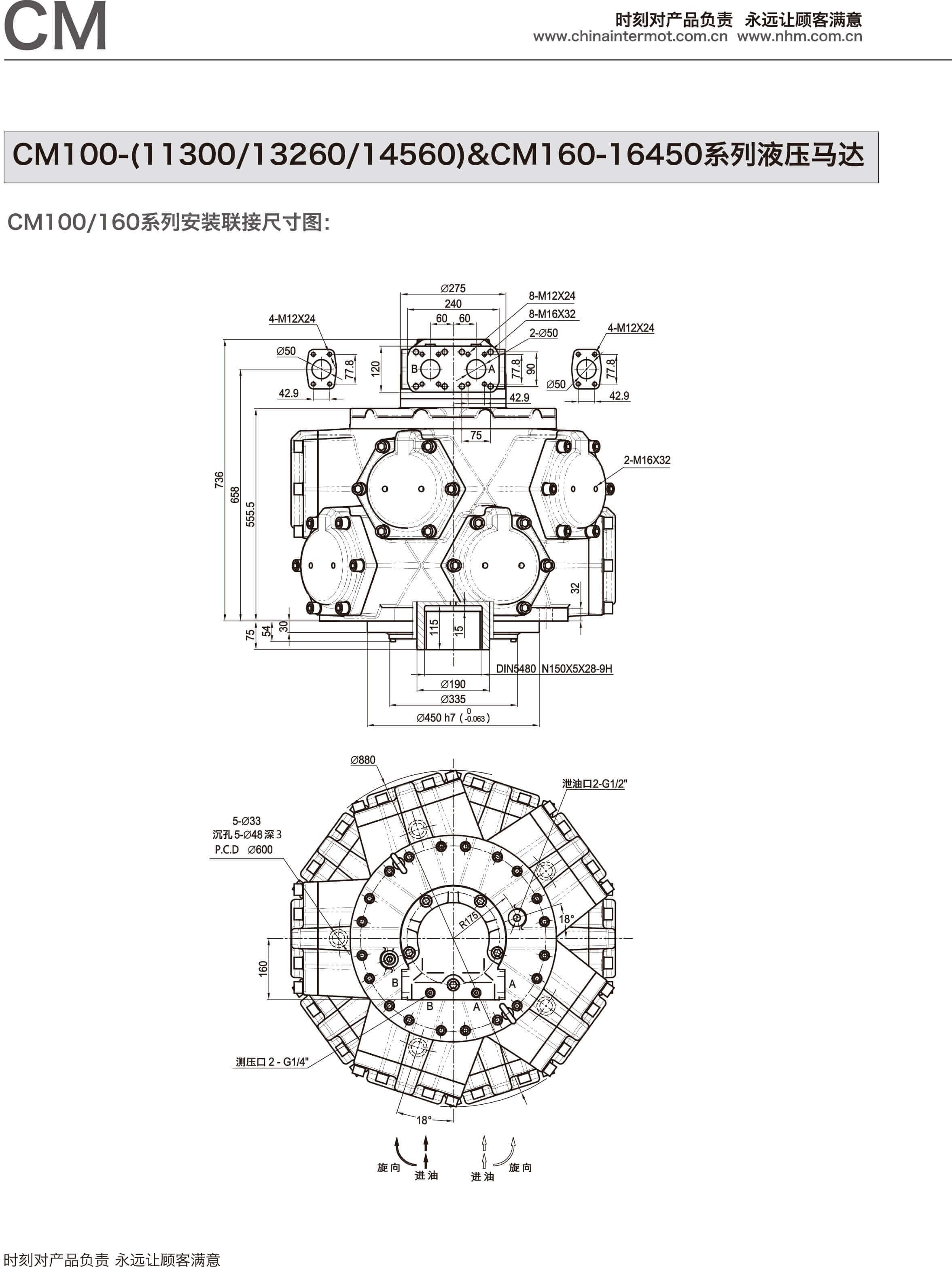
-
CM 系列
CM系列液压马达是我公司推出的新型结构液压马达,该系列马达具有可靠性好、效率高、寿命长、噪音低、排量大、转速范围宽等优点,可广泛运用于船舶、塑料机械、矿山、冶金、石油、煤矿、地质勘探等领域的液压系统中。
产品特点
1.采用浮动平衡的盘式配流技术,马达在高压高转速且伴随冲击的工况下,配油机构依然能够稳定运转。
2.液压油柱直接作用在偏心轴及 缸盖的球面上,大大降低了金属间的机械摩擦,马达具有很高的工作效率
3.球面采用喷钼工艺,使球面兼得润滑性和耐磨性,提高了马达效率和使用寿命
-
应用范围
可广泛应用于船舶、塑料机械、矿山、建筑冶金、石油、煤矿、地质钻探等行业的液压传动系统中。



























